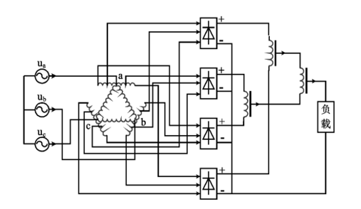
Multi-Pulse Rectification Structure

Common structures in multi-pulse rectification systems include:
- 12-pulse rectification
- 18-pulse rectification
- 24-pulse rectification
Taking a 24-pulse rectification system as an example, the phase-shifting autotransformer generates multiple sets of three-phase voltages with specific phase differences (typically **15° phase difference**).
These voltages are respectively supplied to multiple rectifier bridges for rectification.
Harmonic Cancellation Principle
The harmonic currents generated by different rectifier bridges, due to their different phases, cancel each other out when superimposed on the primary side of the transformer using magnetomotive force.For example:
- 5th harmonic
- 7th harmonic
- 11th harmonic
- 13th harmonic
These lower harmonics are significantly weakened within the system, and what ultimately enters the power grid are mainly higher harmonics with smaller amplitudes (such as the 23rd and 25th harmonics), thereby greatly reducing the total harmonic distortion rate of the system.